フローメーター
フローメーターユニット
概要

フローメータースタンド付
フロート式流量計を使用して、流量調整ユニットや流量監視ユニットを、要望の仕様に応じて製作いたします。ライン数や各調整器の有無流体種類、接続配管サイズなど、仕様を確定のうえ、指定してください。なお下記に主な専用ユニットの製作例を記しますので参照してください。
フローメーターユニット製作例

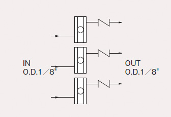
FU-1 流路図

FU-2 流路図
3ライン流量監視ユニット FU-1型
仕様
| フローメーター | フロート式流量計より 3種型式選定 |
| 配管 | 入口、出口共に O.D.1/8"接続 |
| 逆止弁 | 各流路に内蔵 |
| 寸法 | 320(W)×300(D)×200(H)mm |
3ライン流量監視ユニット FU-2型
仕様
| フローメーター | フロート式流量計より 3種型式選定 |
| 圧力計 | 0~600kPa |
| 調圧器 | 0~600kPa ダイヤフラム式 |
| 定流量弁 | NF-2B型使用 |
| 配管 | 入口、出口共に O.D.1/8"SL接続 |
| 逆止弁 | 各流路に内蔵 |
| 寸法 | 320(W)×300(D)×200(H)mm |
注)本ユニットはすべて受注生産品です。仕様により、別途見積りします。
フローコントロールユニットを参照してください。





























