島津GC用アクセサリー
島津GC用 パックドカラムアクセサリー
Oリング

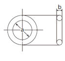
PタイプOリング寸法図
・赤シリコン
耐熱、耐寒性(-60ºC~ 230ºC)にすぐれています。機械的性質が弱く高温の水蒸気で分解します。
| 呼称 | 材質 | サイズ(a×b) | 入数 | Cat.No. | 価格 |
|---|---|---|---|---|---|
| P-4 | 高温シリコン | 3.8×1.9 | 20個 | 3007-11604 | 販売中止 |
| P-5 | 高温シリコン | 4.8×1.9 | 20個 | 3007-11605 | 販売中止 |
| P-4 | 赤シリコン | 3.8×1.9 | 20個 | 3007-11404 | 4,200 |
| P-5 | 赤シリコン | 4.8×1.9 | 20個 | 3007-11405 | 5,000 |
注)P-4:φ 5 ガラスカラム用 P-5:φ 6 ガラスカラム用
ライナー

パックドカラム用のライナーです。
| 品名 | 島津P/N(参考) | 備考 | 不活性処理 | ブリスターパック | 入数 | Cat.No. | 価格 |
|---|---|---|---|---|---|---|---|
| ライナー | 221-14093 | 7A、9A~16A I.D.3mm用 | × | × | 2本 | 3001-16115 | 6,800 |
| ライナー | 221-14094 | 7A、9A~16A I.D.2.6mm用 | × | × | 2本 | 3001-16117 | 6,800 |
| ライナー | 221-41484 | 17Aパックドカラム用 | × | × | 1本 | 3001-16119 | 4,100 |
φ5 ガラスカラム用 サイドリング付フェラル
O リングでは焼き付くような場合に有効です。
| 品名 | 型式 | 入数 | Cat.No. | 価格 |
|---|---|---|---|---|
| 島津取付金具 | GI-5SB | 1式 | 3001-21002 | 20,900 |
| グラファイトフェラル | GI-5S | 10個 | 3007-14152 | 14,900 |
SUS カラムアダプター、パッキン

| 品名 | 入数 | Cat.No. | 価格 |
|---|---|---|---|
| SUS カラムアダプター INJ側 | 1個 | 3001-67002 | 4,900 |
| SUS カラムアダプター DET側(FID) | 1個 | 3001-67001 | 6,500 |
| カラムパッキン アルミニウム | 100個 | 3007-16201 | 1,900 |




























